+86-0523-83274900
Storz navléhající spojka-malý

Storz navléhající spojka-malý

Storz závitové spojení patří do série Storz Compling série, s jedním koncem s interní nebo externí vlákno a druhý konec s a Storz Claw-Type Type.
Tato vazba se používá Připojte požární hadice a hasičské vybavení (jako jsou požární čerpadla, požární hadice a požární hydranty).
Rozsah pro Produkce malé velikosti je 20-65.

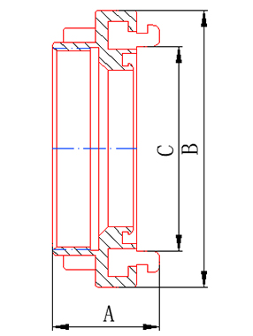
Rozměry Zdroje

Položka č.

DIN/MM

Dia

A/mm

B/mm

C/mm

KY-M

Ky-F

25

1 "

39.7

55

31

40

1,5 "

39.5

79

52

50

2 "

52

98

66

65

2.5 "

52

118

81

80

3 "

55

126

89

100

4 "

60

156

115

110

大 4 "

63

182

133

125

5 "

66

196

148

150

6 "

80

215

160

* Materiály a výrobní procesy lze přizpůsobit na vyžádání.
* Další požadavky (jako je pracovní tlak, tlak burst atd.) Lze také přizpůsobit podle potřeby.

Jiangsu Jinding Fire Protection Technology Co., Ltd.
Jiangsu Jinding Fire Protection Technology Co., Ltd., se sídlem v zóně hospodářského rozvoje Jiang Su Xinghua, byla založena v roce 1998. Jedná se o průmyslovou společnost integrující design, vývoj, výrobu a prodej. Společnost prošla certifikací systému kvality ISO9001: 2015 a dobrovolnou certifikaci produktu a související produkty získaly zprávu o inspekci Národního dohledu nad kvalitou a inspekcí kvality.
Naše společnost vyrábí především několik sérií produktů, včetně protipožárních spojek, vodních trysek, požárních hydrantů, spojek pro potrubí velkého průměru a spojek pro zásobování vodou z ropných polí. Tyto produkty se široce používají v požární ochraně, ropném, chemickém, vojenském a dalších průmyslových odvětvích.
Společnost má dobrou nezávislou schopnost výzkumu a vývoje a má kompletní sadu výrobních procesů, jako je výroba plísní, zpracování výroby a testování produktů. Současně podnik spojuje význam požadavků zákazníků, včas uchopí dynamiku trhu, neustále vyvíjí a vyrábí nové produkty a získává důvěru a chválu nových a starých zákazníků.
Společnost dodává spolehlivé Storz navléhající spojka-malý a profesionální služby založené na závazku ke kvalitě a partnerské spolupráci, s cílem budovat udržitelné kooperativní vztahy s klienty.
27+

27 let průmyslu Výrobní zkušenosti

Certifikáty
Zprávy
Pojďme konverzovat
Jen pozdravte a začneme plodnou spolupráci. Začněte svůj vlastní příběh o úspěchu.
Potřebujete vybavení pro vaše podnikání?
Nechte náš tým poskytnout vám vlastní řešení.