+86-0523-83274900
Storz adaptér vazby - příruby
Domov / Produkt / Adaptéry / Storz adaptér vazby - příruby

Storz adaptér vazby - příruby

K propojení nebo převodu mezi různými standardy a typy armatur se používají vazebné adaptéry. Umožňují, aby jinak nekompatibilní rozhraní byly vzájemně propojeny.

Spojení adaptérů zahrnují, ale nejsou omezeny na: Němec to Storz (muž/žena), němčina na lesnictví, německý až německý sebezamykání, německý na přírubu, němčina na multi-zuby, Storz Male to Storz Femane, Storz na lesnictví atd.
Na požádání lze přizpůsobit všechny typy vazeb adaptéru.

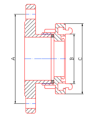
Rozměry Zdroje

Položka č.

DIN/MM

Dia

A/mm

B/mm

C/mm

/

80

3 "

160

89

126

Small100

4 "

180

115

156

Malý 100 (Americký standard)

4 "

190.5

115

156

Big 100

4 "

180

133

182

Velký 100 (Americký standard)

4 "

190.5

133

182

150

6 "

240

160

215

150 (Americký standard)

6 "

241.3

160

215

200

8 "

295

220

280

200 (Americký standard)

8 "

298.5

220

280

250

10 "

355

278

339

250 (Americký standard)

10 "

362

278

339

300

12 "

410

316

384

300 (Americký standard)

12 "

431.8

316

384

350

14 "

470

366

448

350 (Americký standard)

14 "

476.3

366

448

* Materiály a výrobní procesy lze přizpůsobit na vyžádání.
* Další požadavky (jako je pracovní tlak, tlak burst atd.) Lze také přizpůsobit podle potřeby.

Jiangsu Jinding Fire Protection Technology Co., Ltd.
Jiangsu Jinding Fire Protection Technology Co., Ltd., se sídlem v zóně hospodářského rozvoje Jiang Su Xinghua, byla založena v roce 1998. Jedná se o průmyslovou společnost integrující design, vývoj, výrobu a prodej. Společnost prošla certifikací systému kvality ISO9001: 2015 a dobrovolnou certifikaci produktu a související produkty získaly zprávu o inspekci Národního dohledu nad kvalitou a inspekcí kvality.
Naše společnost vyrábí především několik sérií produktů, včetně protipožárních spojek, vodních trysek, požárních hydrantů, spojek pro potrubí velkého průměru a spojek pro zásobování vodou z ropných polí. Tyto produkty se široce používají v požární ochraně, ropném, chemickém, vojenském a dalších průmyslových odvětvích.
Společnost má dobrou nezávislou schopnost výzkumu a vývoje a má kompletní sadu výrobních procesů, jako je výroba plísní, zpracování výroby a testování produktů. Současně podnik spojuje význam požadavků zákazníků, včas uchopí dynamiku trhu, neustále vyvíjí a vyrábí nové produkty a získává důvěru a chválu nových a starých zákazníků.
Společnost dodává spolehlivé Storz adaptér vazby - příruby a profesionální služby založené na závazku ke kvalitě a partnerské spolupráci, s cílem budovat udržitelné kooperativní vztahy s klienty.
27+

27 let průmyslu Výrobní zkušenosti

Certifikáty
Zprávy
Pojďme konverzovat
Jen pozdravte a začneme plodnou spolupráci. Začněte svůj vlastní příběh o úspěchu.
Potřebujete vybavení pro vaše podnikání?
Nechte náš tým poskytnout vám vlastní řešení.