+86-0523-83274900
Storz adaptér vazby - mužský machino
Domov / Produkt / Adaptéry / Storz adaptér vazby - mužský machino

Storz adaptér vazby - mužský machino

K propojení nebo převodu mezi různými standardy a typy armatur se používají vazebné adaptéry. Umožňují, aby jinak nekompatibilní rozhraní byly vzájemně propojeny.

Spojení adaptérů zahrnují, ale nejsou omezeny na: Němec to Storz (muž/žena), němčina na lesnictví, německý až německý sebezamykání, německý na přírubu, němčina na multi-zuby, Storz Male to Storz Femane, Storz na lesnictví atd.
Na požádání lze přizpůsobit všechny typy vazeb adaptéru.

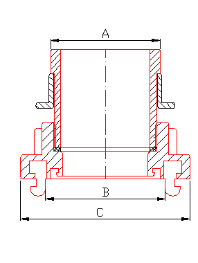
Rozměry Zdroje

Položka č.

DIN/MM

Dia

A/mm

B/mm

C/mm

/

25/40

1 "/1,5"

29

53

82

25/50

1 "/2"

29

66

98

25/65

1 "/2,5"

29

76

110

25/80

1 "/3"

29

89

126

40/40

1,5 "/1.5"

43.6

53

82

40/50

1,5 "/2"

43.6

66

98

40/65

1,5 "/2.5"

43.6

76

110

40/80

1,5 "/3"

43.6

89

126

50/50

2 "/2"

55.6

66

98

50/65

2 "/2,5"

55.6

76

110

50/80

2 "/3"

55.6

89

126

65/65

2,5 "/2.5"

68.5

76

110

65/80

2.5 "/3"

68.5

89

126

80/80

3 "/3"

81.5

89

126

* Materiály a výrobní procesy lze přizpůsobit na vyžádání.
* Další požadavky (jako je pracovní tlak, tlak burst atd.) Lze také přizpůsobit podle potřeby.

Jiangsu Jinding Fire Protection Technology Co., Ltd.
Jiangsu Jinding Fire Protection Technology Co., Ltd., se sídlem v zóně hospodářského rozvoje Jiang Su Xinghua, byla založena v roce 1998. Jedná se o průmyslovou společnost integrující design, vývoj, výrobu a prodej. Společnost prošla certifikací systému kvality ISO9001: 2015 a dobrovolnou certifikaci produktu a související produkty získaly zprávu o inspekci Národního dohledu nad kvalitou a inspekcí kvality.
Naše společnost vyrábí především několik sérií produktů, včetně protipožárních spojek, vodních trysek, požárních hydrantů, spojek pro potrubí velkého průměru a spojek pro zásobování vodou z ropných polí. Tyto produkty se široce používají v požární ochraně, ropném, chemickém, vojenském a dalších průmyslových odvětvích.
Společnost má dobrou nezávislou schopnost výzkumu a vývoje a má kompletní sadu výrobních procesů, jako je výroba plísní, zpracování výroby a testování produktů. Současně podnik spojuje význam požadavků zákazníků, včas uchopí dynamiku trhu, neustále vyvíjí a vyrábí nové produkty a získává důvěru a chválu nových a starých zákazníků.
Společnost dodává spolehlivé Storz adaptér vazby - mužský machino a profesionální služby založené na závazku ke kvalitě a partnerské spolupráci, s cílem budovat udržitelné kooperativní vztahy s klienty.
27+

27 let průmyslu Výrobní zkušenosti

Certifikáty
Zprávy
Pojďme konverzovat
Jen pozdravte a začneme plodnou spolupráci. Začněte svůj vlastní příběh o úspěchu.
Potřebujete vybavení pro vaše podnikání?
Nechte náš tým poskytnout vám vlastní řešení.